Previous product
Łożysko wałka sprzęgłowego BMW Mercedes F 210642
Łożysko wałka sprzęgłowego BMW Mercedes F 210642 20,00 zł 19,00 zł
Najniższa cena w ciągu ostatnich 30 dni w ramach promocji: 20.00 zł
Back to home
Next product
Kpl naprawczy Skrzyń M32 Alfa Fiat Opel pozmianowa
Kpl naprawczy Skrzyń M32 Alfa Fiat Opel pozmianowa 540,00 zł 513,00 zł
Najniższa cena w ciągu ostatnich 30 dni w ramach promocji: 540.00 zł

Łozysko dekla skrzynia 6 biegów auta grupy VW GVV

190,00 zł 180,50 zł
Pospiesz się! Sprzedaż kończy się za
Dni Godz. Min. Sek.
Najniższa cena w ciągu ostatnich 30 dni w ramach promocji: 190.00 zł
Brutto

Ostatnie sztuki w magazynie 3 Przedmioty
Opis

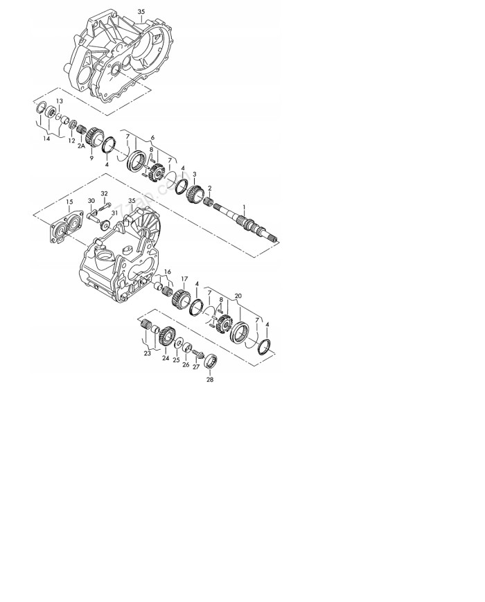
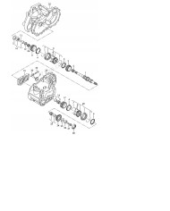
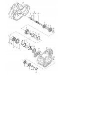
Łożysko dekla

Łożysko walcowe wraz z tulejką

Skrzynie 6-cio biegowe auta grupy VW :

  • Audi
  • Seat
  • Skoda
  • Volkswagen

W tych skrzyniach występują dwa takie łożyska

  • DB 601-531 ; 712158810 ; 02U 311 429 A ; 02U 311 429 B; 712 1588 10
  • F 235065.01 INA

Łożysko nr 1 na schemacie oznaczone nr 27

Łożysko nr 2 na schemacie oznaczone nr 28

Przykładowe kody skrzyni w których występują te łożyska

GVV HBM JHY GQM MAW MFR GQG LHY HBJ

JPG,KRG,LHY,

LNY,NBX,NBW,MYF,PRL

86d1182502235a04b81a49fc1954288b.jpg
c286eebf37c67448b858df3ca72a9405.jpg
Szczegóły produktu
3 Przedmioty

Opis

Producent częściSchaeffler INA
Numer katalogowy części02U311122B
Rodzaj skrzyniManualna
Typ samochoduSamochody dostawcze|Samochody osobowe
StanNowy
Opinie(0)

Opinie

No customer reviews for the moment.

You're reviewing “Łozysko dekla skrzynia 6 biegów auta grupy VW GVV”


.gif .jpg .jpeg .jpe .png .webp

Megamenu

Zaloguj się

Twój koszyk

Nie ma więcej produktów w Twoim koszyku